Rexnord Thomas lamellkopplingar typ SR 52
Transmission
Rexnord Thomas SR är speciellt framtagen för pumpdrifter med höga effekter. Den patenterade mellanaxelslösningen medför snabbt och förenklat montage. Thomas SR har de nya t-pack lamellpaketen, med högre vridmomentskapacitet och enklare montage.
Teknisk specifikation
- Material : stål/ rostfritt stål
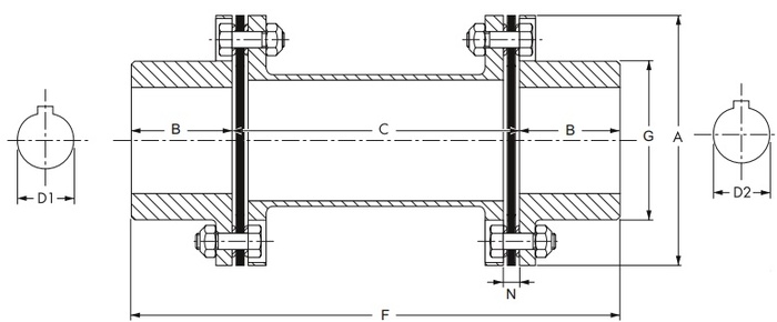
| Artikelnummer | C min mm | N mm | N mm | G mm | F mm | Vridmoment Mv (4) Nm | Vridmoment Mv (5) Nm | Varvtal (1) n obalanserad | Varvtal (1) n balanserad | Axiell kapacitet kN | ▲ m per m av C kg/m | ▲ J per m av C kgm²/m | Ytterdiameter D mm | Axelhål max d1/d2 mm | a mm | b mm |
|---|---|---|---|---|---|---|---|---|---|---|---|---|---|---|---|---|
| SR52-125 | - | 7 | 7 | 52 | 168 | 305 | 610 | 5000 | 15000 | ±0.91 | 2,8 | 0 | 2,1 | 34 | 94 | 33,3 |
| SR52-162 | 52 | 7 | 7 | 70 | 216 | 604 | 1208 | 4600 | 15000 | ±0.91 | 3,7 | 0,01 | 3,3 | 50 | 110 | 44,5 |
| SR52-200 | 67 | 9 | 9 | 83 | 232 | 1185 | 2371 | 4250 | 15000 | ±0.91 | 4,5 | 0,01 | 5,6 | 58 | 138 | 52,3 |
| SR52-225 | 70 | 9 | 9 | 96 | 260 | 1976 | 3951 | 4100 | 14000 | ±0.91 | 4,7 | 0,02 | 7,3 | 70 | 144 | 66,8 |
| SR52-262 | 82 | 12 | 12 | 114 | 273 | 3706 | 7413 | 3900 | 13000 | ±1.09 | 7,2 | 0,04 | 11,8 | 84 | 168 | 73,2 |
| SR52-312 | 95 | 13 | 13 | 133 | 311 | 5803 | 11605 | 3450 | 11700 | ±1.29 | 8,7 | 0,09 | 18,8 | 97 | 198 | 85,9 |
| SR52-350 | 106 | 14 | 14 | 149 | 343 | 7552 | 15105 | 3200 | 10500 | ±1.42 | 9,7 | 0,09 | 26,6 | 110 | 221 | 95,3 |
| SR52-375 | 117 | 15 | 15 | 165 | 381 | 11323 | 22646 | 3000 | 9400 | ±1.57 | 13,3 | 0,27 | 36,3 | 120 | 246 | 101,6 |
| SR52-425 | 125 | 16 | 16 | 178 | 394 | 15161 | 30323 | 2800 | 8700 | ±1.70 | 17,3 | 0,4 | 47,2 | 130 | 267 | 108 |
| SR52-450 | 136 | 18 | 18 | 189 | 432 | 16979 | 33958 | 2700 | 8100 | ±1.82 | 18,4 | 0,58 | 57,7 | 140 | 287 | 114,3 |
| SR52-500 | 153 | 20 | 20 | 213 | 483 | 27817 | 55633 | 2500 | 7100 | ±2.02 | 24,5 | 1,11 | 89 | 146 | 327 | 127 |
| SR52-550 | 175 | 23 | 23 | 240 | 533 | 37300 | 74599 | 2300 | 6300 | ±2.33 | 38,7 | 2,02 | 127,6 | 166 | 367 | 139,7 |
| SR52-600 | 191 | 25 | 25 | 260 | 559 | 48973 | 97945 | 2150 | 5700 | ±2.59 | 43 | 3,28 | 168 | 176 | 406 | 152,4 |